三菱plc從入門到精通
- 更新日期: :
- 文件格式: :
- doc
- 版 本 號: :
- 下載權限: :
- 游客
鏈接: https://pan.baidu.com/s/19c0N3LvMVhpZNjNYQLZ-xw 提取碼: ddu2
三菱plc從入門到精通:學PLC之路詳解(附各種圖例)
PLC好學嗎?有的人說好學,更多的人說難學。我的看法是入門易,深造難。入門易,總有它易的方法。很多人都買了有關PLC的書,如果從頭看起的話,我想八成學不成了。因為抽象與空洞占據了整個腦子,一句話暈!
學這東東要有可編程控制器和簡易編程器才好,若無,一句話,學不會。因為無法驗證對與錯。如何學,我的做法是直奔主題。做法如下
1、認識梯形圖和繼電器控制原理圖符號的區別: 繼電器控制原理圖中的元件符號,有常開觸點、常閉觸點和線圈,為了區別它們,在有關符號邊上標注如KM、KA、KT等以示不同的器件,但其觸頭的數量是受到限制。而PLC梯形圖中,也有常開、常閉觸點,在其邊上同樣可標注X、Y、M、S、T、C以示不同的軟器件。它最大的優點是:同一標記的觸點在不同的梯級中,可以反復的出現。而繼電器則無法達到這一目的。而線圈的使用是相同的,即不同的線圈只能出現一次。

2、編程元件的分類:編程元件分為八大類,X為輸入繼電器、Y為輸出繼電器、M為輔助繼電器、S為狀態繼電器、T為定時器、C為計數器、D為數據寄存器和指針(P、I、N)。關于各類元件的功用,各種版本的PLC書籍均有介紹,故在此不介紹,但一定要清楚各類元件的功能。
編程元件的指令由二部分組成:如 LD(功能含意)X000(元件地址),即 LD X000,LDI Y000......。
3、熟識PLC基本指令:
(1)LD(?。?、LDI取反)、OUT(輸出)指令;LD(?。DI(取反)以電工的說法前者是常開、后者為常閉。這二條指令最常用于每條電路的第一個觸點(即左母線第一個觸點),當然它也可能在電路塊與其它并聯中的第一個觸點中出現。

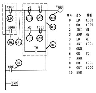
這是一張梯形圖(不會運行)。左邊的縱線稱為左母線,右母線可以不表示。該圖有三個梯級;
第1梯級;左邊第一個觸點為常開,上標為X000,X表示為輸入繼電器,其后的000數據,可以這樣認為它使用的是輸入繼電器中的編號為第000的觸點(下同)。其指令的正確表示應為(如右圖程序所示):0、LD X000 (前頭的0 即為從第0步開始,指令輸入時無須理會,它會自動按順序顯示出)。
第2梯級;左邊的第一個觸點為常閉觸點,上標為T0,T表示定時器(有時間長短不同,應注意),0則表示定時器中的編號為0的觸點。其指令的正確表示應為:2、LDI T0(如程序所示)。
第3梯級;左邊第一個觸點為常閉,上標為M0, M為輔助繼電器(該繼電器有多種,注意類別),其指令的正確表示應為:4、LDI M0(如程序所示)。本梯級的第2行第一個觸點為常開,上標為Y000,Y表示輸出繼電器,由于該觸點與后面Y001觸點呈串聯關系,形成了所謂的電路"塊",故而其觸點的指令應為 5、LD Y000。總之LD與LDI指令從上面可以看出,它們均是左母線每一梯級第一觸點所使用的指令。而梯級中的支路(即第3梯級的第2行)有二個或二個以上觸點呈串聯關系,其第一觸點同樣按LD或LDI指令??墒褂肔D、LDI指令的元件有:輸入繼電器X、輸出繼電器Y、輔助繼電器M、定時器T、計數器C、狀態繼電器S。OUT為線圈驅動指令,該指令不能出現在左母線第一位。驅動線圈與驅動線圈不能串聯,但可并聯。同一驅動線圈只能出現一次,并安排在每一梯級的最后一位。如上圖中的1、OUT Y000,3、OUT Y001,Y為輸出繼電器,其線圈一旦接獲輸出信號,可以這樣認為,線圈將驅動其相應的觸點而接通外部負載(外部負載多為接觸器、中間繼電器等)。而上圖8、OUT T0 K40 為定時器驅動線圈指令,其中的K為常數40為設定值(類似電工對時間繼電器的整定)。可使用OUT指令元件有:輸出繼電器Y、輔助繼電器M、定時器T、計數器C、狀態繼電器S。
(2)觸點的串聯指令AND(與)ANI(與非);前者為常開,后者為常閉。二者均用于單個觸點的串聯。二指令可重復出現,不受限制,。如下圖所示。

由第1梯級來看;X000、T0、Y001三觸點成串聯關系,即T0的常閉串接于X000的后端,而Y001的常閉則串接于T0常閉的后端。由于都是常閉故用ANI指令。現來看第2梯級;X000、M0、Y001,同樣三觸點也是串聯關系,M0的常閉接點串接于X001的后端,而Y000的常開接點則串接于M0的后端。故M0的指令用ANI,而Y000的指令則用AND(具體編程詳上圖),一句話只要是串聯后面是常開的用AND,是常閉的則用ANI??墒褂肁ND、ANI指令元件有:輸入繼電器X、輸出繼電器Y、輔助繼電器M、定時器T、計數器C、狀態繼電器S。
(3)觸點并聯指令OR(或)、ORI(或反);觸點并聯時,不管梯級中有幾條支路,只要是單個觸點與上一支路并聯,是常開的用OR,是常閉的則用ORI。如下圖所示。

可以看出上圖的X000、X001、M0三者處于并聯關系。由于X000下面二條支路均為單個觸點,因X001是常開觸點,故用OR指令。而M0是常閉觸點,則用ORI指令。三接點并聯后又與M1串聯,串聯后又與Y000并聯,而Y000也是單個觸點,所以仍采用OR指令。可使用OR、ORI指令元件有:輸入繼電器X、輸出繼電器Y、輔助繼電器M、定時器T、計數器C、狀態繼電器S。
(4)串聯電路塊的并聯指令ORB(或);任一梯級中有多(或單支路)支路與上一級并聯,只要是本支路中是二個以上的觸點成串聯關系(即所謂的:串聯電路塊),則應使用ORB指令。如下圖所示。

由上圖可以看出,第一支路X003的常開觸點與M1的常開觸點成串聯關系(在這樣的情況下,形成了塊的關系),它是與上一行的X000與M0串聯后相并聯,此時程序的編寫,如步序號0、1、2、3、4所示。4所出現的第一個ORB指的是與上一行并。而第二支路,常閉Y001與M2同樣是串聯關系。也是一個塊結構,其串聯后再與第一支路并。故步序7再次出現ORB。ORB指令并無梯形圖與數據的顯示??梢赃@樣認為;它是下一行形成電路塊的情況下與上一行并聯的一條垂直直線(如圖中所示的二條粗線)。
(5)并聯電路塊與塊之間的串聯指令ANB;如左下圖虛線框內所示的二電路塊相串,各電路塊先并好后再用ANB指令進行相串。左圖的梯形圖可以用右圖進行簡化。程序的編寫如下圖所示。ANB指令并無梯形圖與數據的顯示??梢赃@樣認為;它是形成電路塊與電路塊之間的串聯聯接關系,是一條橫直線。


(6)進棧指令MPS、讀棧指令MRD、出棧指令MPP和程序結束指令END;MPS、MRD、MPP這是一組堆棧指令。如下圖使用的二種堆棧形式;在堆棧形式下MPS應與MPP成對出現使用。如在第一堆棧形式下,則采用MPS、MPP指令。若在MPS、MPP指令中間還有支路出現,則增加MRD指令,如下圖的第二堆棧所示。應知道MPS、MPP成對出現的次數應少于11次,而MRD的指令則可重復使用,但不得超過24次。要知道這一組指令,同樣并無梯形圖與數據的顯示??梢赃@樣認為;MPS是堆棧的起始點,它起到承上啟下的聯接點作用,而支路的MRD、MPP則與之依次聯接而已。而END指令則是結束指令,它在每一程序的結束的末端出現。

當然還有其它的指令,但只要熟織和應用以上的指令,我以為入個門應該沒什么問題了,也夠用了。入了門后再去研究其它的指令就不是很難了。故不再一一說明。
4、熟知簡易編程器各鍵的功能:以下是FX-10P(手持式編程器)面板分布(當然少了晶液顯示屏)及各鍵功能。各鍵下方標注的中文與元件符號均為我所增加(目的是為了輸入時易找到對象),其余均與原鍵盤相同(即實線框內英文與數碼)。

(1)液晶顯示器;在編程時可顯示指令(即指令、元件符號、數據)。在監控運行時,可顯示元器件工作狀態。
(2)鍵盤;由35個按鍵組成,有功能鍵、指令鍵、元件符號鍵和數據鍵,大多可切換。各鍵作用如下:
①功能鍵:RD/WR......讀出/寫入,若在左下角出現R為程序讀出,若出現W則為寫入,即程序輸入時應出現W,否則無法輸入程序。按第一下如為R,再按一下則為W。INS/DEL......插入/刪除,若在程序輸入過程中漏了一條程序,此時應按該鍵,顯現I則可輸入遺漏程序。若發現多輸了一條程序,同樣按該鍵,顯現D則可刪除多余或錯誤的程序。MNT/TEST......監視/測試,T為測試,M為監視,同樣按該鍵,可相互切換。在初學時要學會使用監視鍵M, 以監視程序的運行情況,以利找出問題,解決問題。
② 菜單鍵:OTHER, 顯示方式菜單。
③清除鍵:CLEAR,按此鍵,可清除當前輸入的數據。
④幫助鍵:HELP,顯示應用指令一覽表,在監視方式時進行十進制數和十六進制數為轉換。
⑤步序鍵:STEP,監視某步輸入步序號。
⑥空格鍵:,/SP,輸入指令時,用于指定元件號和常數。
⑦光標鍵:↑、↓,用這二鍵可移動液晶顯示屏上光標,作行(上或下)滾動。
⑧執行鍵:GO,該鍵用于輸入指令的確認、插入、刪除的執行等。
⑨指令鍵/元件符號鍵/數字鍵(虛線框內):這些鍵均可自動切換,上部為指令鍵,下部為元件符號鍵或數字鍵。一旦按了指令鍵,其它鍵即切換成元件符號或數字,可以進行選擇輸入。其它Z/V、K/H、P/I均可同一鍵的情況下相互切換。
5、熟習編程器的操作
按規定聯接好PLC與簡易編程器。PLC通入電源,小型指示燈亮。將PLC上的扭子開關撥向STOP(停止)位置。
操作要點:
①清零:扭子開關撥向STOP(停止)位置,會出現英文,別管它。直接按RD/WD(使顯示屏左側出現W即寫的狀態),此時先按NOP,再按MC/A中的A,接著按二次GO予以確認即可(即:W→NOP→A→GO→GO)。
②輸入指令:如指令 LD X000 , 按以下順序輸入 LD→X→0→GO 即可,屏上自動顯現 LD X000。其它指令類推。對于ORB、ANB、MPS、MRD、MPP、END、NOP等指令,輸入后只要按GO確認即可(ORB→GO)。
③定時器的輸入:如指令 OUT T0 K 40 按如下順序輸入即可 OUT→T→0→,/SP→K→40→GO(T0為100ms為單位,其整定值為:100×40=4000ms=4S)。
④ 刪除指令:移動光標對準欲刪除的指令,將INS/DEL鍵置于D,再予以GO確認即可。即 :移動光標對準欲刪除指令→D→GO。
⑤插入指令:若欲在步序4、5之間插入新的步序,移動光標對準5,將INS/DEL鍵置于I,予以確認,再輸入新的程序再次確認即可。如欲插入AND Y001即:移動光標對準欲插入部位→I→GO→AND→Y→1→GO。
⑥GO鍵:每一步序輸入完畢均應輸入GO予以確認。
⑦結束指令:每一程序輸入完畢在結束時應輸入END指令,程序才可運行。
⑧輸入指令完畢應將PLC上的扭子開關撥向RUN于運行狀態。若有音響、燈亮則說明輸入程序有問題。
6、輸入簡單的可運行程序在監控狀態下運行:初學時要學會使用監視鍵M,可以從液晶顯示上監視程序的運行情況,加深對PLC各接點運行的認識。并利于找出問題,解決問題的最好辦法。
具體操作如下:按MNT/TEST鍵置于M監視運行方式,移動光標即可觀查整個程序的運行情況。若程序中出現■標記表示元件處于導通狀態(ON),若無■標記則元件處于斷開狀態(OFF)。
7、試著編繪簡易梯形圖:簡易梯形圖的編繪,一般以現有的電工原理圖,根據其工作原理進行繪制,由淺入深,先求畫出,再求簡單明了,慢慢領會繪制梯形圖心得。首先要理解電工原理圖的工作原理,根據電工原理圖的工作原理,再按PLC的要求進行繪制。應把握的是,不能簡單地將PLC各接點與電工原理圖上的各接點一一對應(這是初學者的通?。?,若是這樣的話就有可能步入死胡同,繪制的梯形圖只要能達到目的即可。
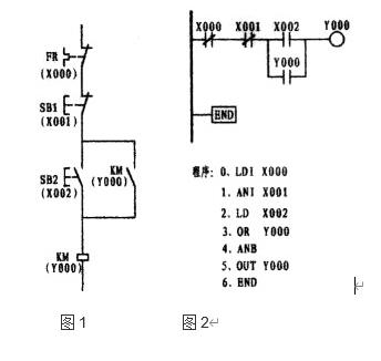
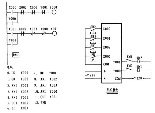
①不可逆啟動改用PLC控制


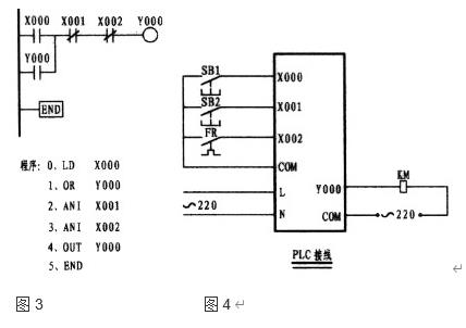
上圖的圖1為電原理圖,圖2則為按與原理圖一一對應的原則編繪的梯形圖,其特點是易于理解,但在我的印象中沒有幾張是可以這樣繪制的。如果采用這樣的方法繪制的話,將有可能走入不歸路。盡管二個圖都可運行,但如果將圖2加以改變而成為圖3 ,可以看出圖3在程序上少了一個步序ANB。簡潔明了是編程的要素。故而在編繪梯形圖時應盡量地將多觸頭并聯觸頭放置在梯形圖的母線一側可減少ANB指令。圖2中的X000、圖3中的X002均為外接熱繼電器所控制的常閉接點,而熱繼電器則用常開接點(或也可將外部的熱繼電器的常閉觸頭與接觸器線圈相串聯)。只有在畫出梯形圖后,再根據梯形圖編出程序。
工作原理:以圖3為例說明,當外接啟動按鈕一按,X000的常開接點立即閉合電流(實為能流),流經X001、X002的常閉接點至使輸出繼電器Y000閉合,由于Y000的閉合,并接于母線側的Y000常開觸點閉合形成自保,由輸出繼電器接通外部接觸器,從而控制了電動機的運行。停止時按外部停止按鈕,X001常閉接點在瞬間斷流從而關斷了輸出繼電器線圈,外部接觸器停止運轉。當電動機過載時,外部熱繼電器常閉接點閉合,導至X002常閉接點斷開,從而保護電動機。
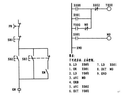
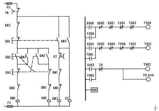
②啟動、點動控制改用PLC控制

這一道題往往是初學者邁不過的一道坎。這主要是因為繼電器電原理圖使用的是復合按鈕,形成的思維定式所造成。從梯形圖中可以看出,X001為點動控制觸點,因左邊的電原理圖是使用的復合按鈕,思維上自然而然轉向了采用X001的常閉觸點,與X001的常開形成了與復合按鈕相似的效果,想象是不錯。要知道PLC在運行狀態下,是以掃描的方式按順序逐句掃描處理的,掃描一條執行一條,掃描的速度是極快的。如果是用X001的常閉代替M0的常閉的話,當按下外接點動按鈕時,X001常開觸點則閉合而常閉接點則斷開,但一旦松手其常閉觸點幾乎就閉合形成了自保,因此失去了點動的功能,變為只有啟動的功能。梯形圖中的第一梯級中的第二支路是由Y000的常開與中間繼電器M0的常閉相串后再與第一支路相并,在這樣觸點多的情況下如果允許應將它擺列在第一行,這樣在編程時可以少用了ORB指令。
工作原理:本梯形圖沒設熱繼電器觸點,只設一停止觸點。按外部啟動按鈕使X000閉合,電流(能流)由母線經X002使輸出繼電器Y000接通,由于Y000的接通,本梯級第二支路中的Y000常開接點接通,經中間繼電器M0的常閉接點與輸出繼電器形成了自保關系,從而驅動外部接觸器帶動電動機旋轉。停止時,按外部的停止按鈕至使X002在瞬間斷開,使輸出繼電器失電,電動機停止了轉動。點動時,按外部點動按鈕使第一梯級第一支路的X001常開接點閉合,同時第二梯級的X001也同時閉合,接通了中間繼電器,由于中間繼電器的閉合,使第一梯級第二支路的X001相串聯的M0常閉接點斷開從而破壞了自?;芈饭识妱訖C處于點動狀態。
③接觸器聯鎖正反轉控制改用PLC控制

本圖中靠近母線一側中的第一梯級和第二梯級中的X000、X001均為PLC外部按鈕SB2、SB3按鈕所控制的常開接點,一旦接到外部信號使相應的X000或X001閉合,通過串接于第一或第二梯級相應線路,使輸出繼電器Y000或Y001線圈中的一個閉合,由于輸出繼電器線圈的閉合,使并接于第一和第二梯級中的常開接點Y000或Y001中的一個閉合形成了自保關系。接于輸出繼電器外圍相應接觸器則帶動電動機運行。停止則由外部的SB1按鈕控制,使串接于第一和第二梯級中的常閉接點X002斷開,不管是正轉還是反轉均能斷電,從而使電動機停止運行。熱保護則由外部的FR驅動,使串接于第一和第二梯級中的常閉接點X003斷開使電動機停轉。而串接于第一和第二梯級中的常閉接點Y001和Y000的作用,是保證在正轉時反轉回路被切斷,同理反轉時正轉回路被切斷使它們只能處于一種狀態下運行,其實質是相互聯鎖的作用。這里特別要強調的是:由于PLC運行速度極快,在正反轉控制狀態下若沒有必要的外圍聯鎖,將會造成短路。如果只靠PLC內部的聯鎖是不行的。這一點初學者一定要記住。而且在星角降壓啟動等必要的電路中均應考慮這一問題。
④復合聯鎖正反轉能耗制動用PLC改造

程序:0、LD X000 1、OR Y000 2、ANI X002 3、ANI X001 4、ANI Y001 5、ANI Y002 6、OUT Y000 7、LD X001 8、OR Y001 9、ANI X002 10、ANI X000 11、ANI Y000 12、ANI Y002 13、OUT Y001 14、LD X002 15 、OR Y002 16、ANI T0 17、OUT Y002 18、OUT T0 K 40 21、END
本圖為正反轉能耗制動控制改為用PLC控制,其工作原理是:當按接于外部的正轉按鈕SB1驅動第一梯級X000常開接點閉合(而第二梯級中的X000常閉接點則同時斷開,切斷可能運行中的反轉功能,起了互鎖作用),通過串接于其后的X002、X001、Y001、Y002各接點的常閉,接通了Y000輸出繼電器線圈使其閉合,由于Y000線圈的閉合,導至第一梯級的并接于母線側的Y000常開接點閉合,形成了Y000的自保(同時串接于第二梯級的,Y000常閉接點斷開,保證了在正轉的情況下不允許反轉,起了互鎖的作用)。由于Y000的閉合,接通了正轉接觸器,帶動電動機工作。第二梯級的工作則與第一梯級相似:即按外部反轉按鈕SB2,驅動第二梯級X001常開接點閉合(而第一梯級中的X001常閉接點則同時斷開,切斷可能運行中的正轉功能,起了互鎖作用),通過串接于其后的X002、X000、Y000、Y002各接點的常閉,接通了Y001輸出繼電器線圈使其閉合,由于Y001線圈的閉合,導至第二梯級的并接于母線側的Y001常開接點閉合形成了自保(同時串接于第一梯級的Y001常閉接點斷開,保證了在反轉的情況下不允許正轉,起了互鎖的作用)。由于Y001的閉合,接通了反轉接觸器,帶動電動機工作。若要停止,則按外部按鈕SB3驅動了第三梯級的X002常開接點的閉合(同時第一梯級和第二梯級的X002常閉接點斷開,切斷了正轉或反轉的工作。)通過定時器T0的常閉接點,接通了輸出繼電器線圈Y002和定時器T0線圈,由于Y002的接通,其并接于第三梯級母線一側的常開接點Y002閉合,形成了Y002線圈的自保(在這同時串接于第一梯級和第二梯級的Y002的常閉接點斷開,再次可靠切斷了正轉或反轉),從而Y002接通了外接接觸器KM3,而KM3則向電動機送入了直流電進行能耗制動。上述的定時器與Y002是同時閉合,定時器在閉合的瞬間即開始計時,本定時器計時時間為4S(計算方法:T0的單位時間為100ms,而K值設定為40則:100×40=4000ms 1S=1000ms),4S時間一到,串接于第三梯級的常閉接點T0斷開,運行則停止。本梯形圖沒設置熱繼電器,可在第一、第二梯級的Y000和Y001的線圈前端設置常閉接點X003,外部則接FR的常開接點。同理這線路由于是正反轉線路,在其外部應考慮進行必要的接觸器輔助接點的聯鎖。
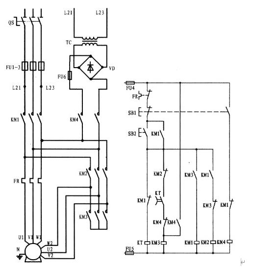
⑤斷電延時型星角降壓啟動能耗制動控制改用PLC控制


PLC沒有斷電延時型定時器,只有通電延時型定時器。本梯形圖的工作原理:當外接啟動按鈕SB2按下,驅動第一梯級X000的常開接點閉合,通過串接其后的X001、T1、T0、Y002的常閉接點,接通輸出繼電器,由于Y000線圈的閉合,促使第一梯級第一支路中的并聯常開觸點閉合形成Y000線圈自保,至使Y000驅動的接觸器KM3閉合將電動機繞組接成星形。在這同時,第二梯級中的左母線一側的常開觸點Y000閉合,通過串接其后的X001、Y003的常閉接點接通了輸出繼電器Y001和另一支路經Y002常閉接點相串的定時器線圈T0(K值為40)。由于Y001線圈的閉合使與本支路相并的母線一側Y001閉合形成了Y001線圈自保。由于Y001線圈的閉合,接于Y001后的外部接觸器KM1閉合,電動機處于星接啟動狀態。在Y001閉合的同時定時器T0也已開始計時,4S后定時器T0常閉接點,在第一梯級中切斷了輸出繼電器Y000線圈,解除了星接。而在這同時,第三梯級中左母線一側的T0 常開接點閉合,通過串接其后的X001、Y000的常閉接點,接通了輸出繼電器Y002。由于Y002的接通,并接于左母線一側的Y002閉合,使Y002線圈形成自保。Y002線圈后所接的接觸器KM2接通,完成了星角轉換,使電動機進入了角接狀態。第一梯級中與第三梯級中所串接的Y002和Y001常閉接點實質是星與角的互鎖。停止按外接停止按鈕SB1,從梯形圖中可以看出由SB1驅動的第一梯級、第二梯級和第三梯級均串接了X001的常閉觸點,其目的是讓電動機在任一運行狀態,均能可靠停止。而在第四梯級X001接的是常開觸點,其一旦閉合,通過串接其后的定時器常閉接點,接通了輸出繼電器Y003線圈和定時器T1線圈,由于Y003線圈的閉合,其并接于第一梯級第二支路中的Y003常開接點接通了Y000線圈,驅動KM3閉合,使電動機的處于星接狀態,以提供直流通道。在線圈Y003閉合后,驅動了外接接觸器KM4在電動機停止交流供電的情況下向電動機提供直流電進行能耗制動。定時器線圈T1是與線圈Y003同時獲電,并開始計時,計時時間一到,串接于第一梯級與第四梯級的常閉接點斷開,使電動機完成了停車與制動的過程。外部接觸器接線時,應考慮接觸器間的互相聯鎖以防短路。另本梯形圖沒設置熱保護。
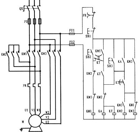
⑥雙速異步電動機控制電路改用PLC控制


該線路控制的是一臺雙速電動機,一般的人對它不是很理解。電動機型號為YD123M-4/2,6.5/8KW,△/Y。根據型號解讀;該電機具有二種速度即4極和2極,在4極速度下,電動機的功率為6.5KW,繞組為三角形接法。如果在2極的速度下,電動機的功率為8KW,繞組為雙星接法。該電動機共有6接線頭,三角形接時(低速)電源由U1、V1、W1接入,其余接頭U2、V2、W2為懸空。星接時(高速)將接線頭U1、V1、W1接成星點形成了雙星點,三相電源則由U2、V2、W2輸入(電動機接線圖詳上圖所示)。該線路要求;電機可以在低速、高速狀態下擇其一運行。而在高速運行時則按低速啟動再轉為高速運行。自己可根據電原理圖進行分析。
梯形圖工作原理:按設于外部的啟動按鈕SB3,接通了第一梯級母線側常開接點X000,電流(能流)通過串接其后的X002、Y001的常閉接點接通了輸出繼電器線圈,同時接通與M0常閉接點相串的定時器線圈T0(K值為40)。由于Y000線圈的閉合,使其并接母線一側的Y000常閉接點閉合,Y000線圈形成了自保。由于Y000線圈的閉合,使接于其后的外部接觸器KM1動作,電動機處于低速啟動狀態(即處于三角接法)。Y000線圈閉合的同時,定時器T0即開始計時。計時時間一到,接于第三梯級母線一側的T0常開接點閉合,通過串接其后的X002常閉接點,接通輸出繼電器Y001線圈閉合。由于Y001線圈的閉合,并接于母線一側的Y001常開接點閉合,Y001線圈形成了自保。在這同時(Y001線圈的閉合)串接于第一梯級的常閉接點斷開,切斷了由Y000線圈所控制的KM1接觸器的運行。在Y001線圈的閉合的同時,第四梯級的母線側Y001常開接點閉合,通過串接其后的常閉接點X002,接通了輸出繼電器Y002。在輸出繼電器Y001閉合時,接于其后的外部接觸器KM2閉合。KM2將電機繞組頭U1、V1、W1接成了星點,而輸出繼電器Y002外部所接的接觸器KM3則接通了電源使電動機處于高速運行狀態。停止,則按外接按鈕SB1,各梯級所串接的X002常閉接點斷開,使電動機在任一運行狀態均可停止。這是低速啟動,高速運行的過程。
低速運行時,按外接啟動按鈕SB1,此時第二梯級接于母線一側的X001閉合,電流(能流)則通過串接于其后的X002接通中間繼電器M0線圈,使并接于母線一側的M0常開接點閉合,使M0中間繼電器線圈形成了自保。由于M0線圈的閉合,使第一梯級第二支路母線一側的M0常閉接點閉合,同時切斷了定時器線圈T0的運行,使電流接通了Y000輸出繼電器,外接的接觸器KM1接通使電動機處于三角形低速運行狀態。停止,則按外接按鈕SB1即可。這就是低速運行過程。注意:本梯形圖未設置熱保護,從原圖來看熱保就少用了一個。可在梯形圖第一梯級Y001常閉接點后串接X003,同時在第四梯級X002常閉接點后串接X004。
⑦用PLC控制設計一梯形圖
要求:有三臺電動機,分別標為1號、2號、3號電機。第1號機啟動后過4S,第2號電機自動啟動,第3號機又在第2號機啟動后過4S自動啟動。停止時,第3號電機先停,過4S后第2號電機自動停止,第2號電機停后再過4S,第1號電機跟著停。